آموزش رویت MEP : روش کار با Auto-Route
در آموزش های قبلی رویت MEP، ترمینال های هوا و واحد کنترل هوا را بررسی کردیم. همچنین سیستم های برگشت هوا (Return Air) را ایجاد کردیم.

اکنون به کار با مدل و ایجاد مسیر با استفاده از ابزار Generate Layout (ایجاد مسیر خودکار) ادامه خواهیم داد.
ایجاد مسیر هوا
در System Browser گزینه ی Mechanical Supply Air 1 را انتخاب کنید. F9 را فشار دهید تا Browser باز شود.

تمام تجهیزات موجود در سیستم را حالا مشاهده می کنید. همچنین می توانید یک محدوده در اطراف سیستم مشاهده کنید.

در Revit Ribbon ، در تب Contextual ، دکمه Generate Layout را مشاهده خواهید کرد. روی آن کلیک کنید.

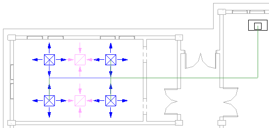
پیش نمایش راه حل مسیر را مشاهده خواهید کرد. حال تنظیمات مسیر را اصلاح کنیم.

روی Settings کلیک کنید.

برای مسیر اصلی موارد زیر را تنظیم کنید:
- Duct Type: Rectangular Duct: Radius Elbows / Tees
- Offset: 3250
برای شاحه موارد زیر را تنظیم کنید:
- Duct Type: Rectangular Duct: Radius Elbows / Tees
- Offset: 3250
- Flex Duct Type: None
- Max Flex Duct Length: ۱۸۰۰٫۰
برای بستن کادر ، OK را کلیک کنید.
اکنون روی پیکان کنار Solution Type کلیک کنید. تمام راه حل های ممکن را مرور کنید.
![]()
در این مورد خاص ، اولین راه حل، بهترین گزینه نیز به نظر می رسد. روی Finish Layout کلیک کنید.

مسیر را به صورت سه بعدی مرور کنید.

نکته: بسیاری اوقات ، هنگام ایجاد مسیر با این روش ممکن است هشدار یا خطایی مشاهده کنید. می توانید از ابزار Generate Layout استفاده کنید و بعداً خطا را برطرف کنید. این کار می تواند سریعتر و آسان تر از ایجاد دستی مسیر باشد. اما گاهی اوقات ایجاد مسیر به صورت دستی از ابتدا آسان تر خواهد بود.
تغییر ارتفاع مجرا Duct Height
بیایید مسیر را اصلاح کنیم. ارتفاع مجرا را تغییر می دهیم، زیرا خیلی کم است. نمای سه بعدی را باز کنید و کانال نشان داده شده در زیر را انتخاب کنید.

مقدار افست را به ۳۵۰۰ تغییر دهید.
![]()
خواهید دید که کل ارتفاع تغییر می کند.
تغییر اندازه کانال
نشانگر خود را به بالای یک کانال منتقل کرده و برگه را فشار دهید . همه کانال ها برجسته شده اند. برای انتخاب، با ماوس کلیک کنید.

این مسیر را دنبال کنید: Contextual Ribbon tab> Analysis panel click Duct/Pipe Sizing

Revit کادر Duct Sizing را باز می کند. تنظیمات موجود را مرور کنید. ما در اینجا چیزی تغییر نمی دهیم ، اما اگر می خواهید تنظیمات را تغییر دهید می توانید انجام دهید.

OK را کلیک کنید. حال می بینید که اندازه کانالها تغییر کرده است.
جمع بندی
در این آموزش ، نحوه ایجاد مسیر به طور خودکار را در رویت یاد گرفتید.
همچنین به طور خودکار ارتفاع و اندازه کانال را تغییر دادید.
دیدگاهتان را بنویسید
برای نوشتن دیدگاه باید وارد بشوید.